Демонтаж ГБО: цена и как снять газовый баллон с машины
Демонтаж газового оборудования с автомобиля
Газобаллонные системы, несмотря на экономичность и экологичность, нравятся не каждому автомобилисту. Если человек приобрел б/у машину с ГБО и хочет перейти на штатное топливо, он может сделать полный демонтаж газового оборудования на авто. Бывают случаи, что снять систему необходимо при регистрации оборудования в ГИБДД или в процессе ремонта. Тогда выполняется временный частичный демонтаж. От причины зависит объем и стоимость работ. На процесс влияет также поколение ГБО и вид автомобиля.
О плюсах и минусах ГБО
Главное преимущество газовой системы питания – экономия. Поэтому баллоны все чаще появляются в багажниках и под днищами российских автомобилей. Кроме того, газ экологически чище и приносит меньше вреда двигателю.
Но есть и минусы: дорогостоящая установка, большой вес баллона (особенно для емкостей с природным метаном), а также уменьшение объема багажника. Некоторые водители считают ГБО взрывоопасным.
Как происходит демонтаж установки
Чтобы демонтировать баллон, магистрали, проводку и остальные элементы системы, лучше воспользоваться помощью профессионалов. Но если у вас есть хотя бы минимальный опыт в работе с ГБО, можно попытаться снять оборудование самостоятельно.
Новичкам не стоит самостоятельно браться за процедуру.
Процесс снятия газобалонного оборудования с легковых и грузовых автомобилей отличается.
Снятие газовой системы с легкового авто
Перед тем как снять газовый баллон с машины, следует помнить, что в магистрали могут быть остатки газа, находящегося в системе под давлением (на пути баллон-редуктор величина составляет 14–16 атм, а на участке редуктор-форсунки – около 1,5 атм).
Перекрываем краны на баллоне, чтобы газ не подавался по магистрали, и стравливаем давление из трубки (например, в месте соединения с топливной рампой). Угрозы нет, теперь разбираемся, как снять ГБО с машины.
Распишем процесс пошагово:
- Отсоединяем электропроводку.
- Откручиваем все соединения газопровода.
- Демонтируем баллон, откручивая крепления хомутов, фиксирующих емкость.
- Снимаем редуктор, ЭБУ и датчики, идущие от блока.
- Из впускного коллектора изымаем форсунки, а отверстия герметично закрываем заглушками.
А как снять газовое оборудование с машины ВАЗ 2106 или другого карбюраторного авто, в котором нет инжекторов? В данном случае процесс демонтажа упрощается. Нет необходимости убирать ЭБУ и форсунки. Остаются лишь соединения магистрали, сам баллон, редуктор и проводка кнопки «газ/бензин».
Как снять ГБО с “ГАЗели”
Для автомобиля «ГАЗель», у которого конструкция ГБО кажется сложной из-за нескольких баллонов, алгоритм действий практически идентичен. Рассмотрим, как снять газовое оборудование с “ГАЗели”, по шагам:
- стравливаем газ;
- сливаем охлаждающую жидкость;
- демонтируем газовый баллон (под машиной необходимо открутить крепления рамы, на которой закреплена емкость);
- удаляем систему подогрева газа;
- отсоединяем все трубки в магистрали, а также электропроводку;
- «заглушаем» отверстия во впускном коллекторе и снимаем редуктор.
Теперь о том, как снять газовое оборудование 4 поколения: процедура та же, но требуется еще снять электронный блок управления, проводку и датчики. Подробнее об отличиях четвертого поколения ГБО – в статье «ГБО 4 поколения».
Хотя алгоритм при снятии ГБО для «ГАЗели» практически такой же, как и у легковых машин, демонтаж немного отличается из-за особенностей конструкции.
Куда обратиться для демонтажа
Специальных сервисов, где бы занимались только демонтажем ГБО, нет. Эту процедуру выполняют в тех же центрах, где монтируют газовые установки.
Читайте также:
Цена вопроса
Стоимость зависит от варианта демонтажа (полный/частичный). Если необходимо снять ГБО полностью, делают следующие процедуры:
- полностью устраняют детали газовой системы;
Работы выполняются на яме или при помощи подъемника.
В случае временного демонтажа проводят:
- работу по снятию видимых элементов газобаллонной установки;
- обратную установку оборудования.
Временное снятие газового оборудования с авто стоит дороже, ведь оборудование затем устанавливают обратно. Чтобы выполнить такую процедуру, необязательно пользоваться эстакадой или подъёмником. Цена демонтажа зависит и от количества цилиндров двигателя.
Средняя стоимость полного демонтажа ГБО по Москве:
- для 4-цилиндровых авто – 4000 руб.;
- для 6-цилиндровых авто – 6000 руб.;
- для 8-цилиндровых авто – 8000 руб.
Средние цены (по Москве) за временный демонтаж с последующей установкой:
- для 4-цилиндровых авто – 7000 руб.;
- для 6-цилиндровых авто –10000 руб.;
- для 8-цилиндровых авто– 14000 руб.
Во многих автосервисах практикуют бесплатный демонтаж, если водитель закажет у них установку новой системы.
Сколько времени занимает
Обычно процедура полного демонтажа занимает от 1 до 4 часов. Время варьируется в зависимости от габаритов оборудования, квалификации мастеров, а также от поколения ГБО. Системы второго поколения проще, поэтому на их разборку уходит 1–3 часа. Чтобы снять установку 4 поколения, специалистам потребуется до 4 часов.
При необходимости временно снять газовое оборудование для ГИБДД в некоторых учреждениях процедуру регистрации и освидетельствования можно выполнить прямо на месте.
Практикующий юрист с 10 летним стажем. Специализации: уголовное право, страховое право, административные правонарушения.
Демонтаж ГБО

Демонтаж ГБО без ущерба для автомобиля: когда он необходим
Казалось бы, резон снимать ГБО, если стоимость газа позволяет сэкономить более половины цены бензина на километре, но несколько причин демонтажа ГБО все же назовем.
– Машина была куплена уже заведомо с ГБО, и новый собственник хочет его снять, потому что:
– является ярым противником газобаллонного оборудования, поскольку не желает тягать лишний габаритный груз в виде баллона в багажнике, считает ГБО опасным из-за прогорания клапанов, просто предпочитает бензин по привычке;
– установленное ГБО определенно не того качества, которого хотелось бы, приносит больше вреда, чем пользы, да и вообще установлено как-то кустарно. Дешевле снять старое оборудование и установить новое, чем с ним возиться.
– Моральное устаревание газобаллонного оборудования и его замена на современное.
– Демонтаж ГБО, которое не соответствует экологическим стандартам (замена оборудования, например, перед поездкой в Европу).
Сложно придумать еще какие-либо причины, поскольку в иных случаях проще отключить электронный блок управления и временно “законсервировать оборудование”. Например, если зимой газ практически не эксплуатируется.
Демонтаж ГБО: порядок действий
Уверены, услуги автосервиса для демонтажа ГБО вам понадобятся точно.
Порядок демонтажа ГБО:
– стравливание газа с магистралей, редуктора, баллона;
– отсоединение магистралей от баллона, снятие крепежей баллона к раме автомобиля, демонтаж баллона с мультиклапаном и заправочного шланга. Отверстие под горловину можно закрыть заглушкой;
– отсоединение магистрали от редуктора, их аккуратное изъятие со стороны багажного отсека;
– демонтаж редуктора, электронного блока управления, датчиков, тосольных рукавов. Замена патрубков системы охлаждения, поскольку тройник на месте врезки заглушить не получится;
– снятие форсунок и заглушка отверстий под форсунки во впускном коллекторе.
Это общая процедура полного демонтажа ГБО, но мы рекомендуем подъехать на улицу 1-й Котляковский переулок, 13с8 , где вас или убедят в том, что оборудование лучше оставить, или заменят его на новое, или просто отсоединят магистрали и отключат узлы оборудования. Вдруг вы снова решите вернуться к ГБО.
В среднем демонтаж ГБО 2 поколения составляет буквально 2-3 часа, демонтаж ГБО 4 поколения – максимум 4 часа. Бывают случаи, когда установщик идет навстречу клиенту и снимает оборудование бесплатно при условии установки нового ГБО, но обычно цена демонтажа ГБО составляет около трети от стоимости работ по установке.
Как демонтировать газовое оборудование с автомобиля
Преимуществами ГБО пользуются миллионы людей, и популярность этого решения растет с каждым днем по мере продолжения экономического кризиса. Сегодня его устанавливают автопроизводители, специализированные мастерские и даже самоделкины – в гаражных условиях. Отношение к газовому оборудованию в автолюбительской среде неоднозначное, хотя время доказывает эффективность и долговечность его работы. Тем не менее в силу разных причин иногда требуется демонтаж газового оборудования на авто.
Преимущества и недостатки ГБО
Установив ГБО на свое транспортное средство, собственник получает существенную экономию; кроме того, газ не вызывает детонации, образования нагара на свечах и не смывает масляную пленку с цилиндров. Это увеличивает ресурс мотора.
В то же время стоимость ГБО пока еще достаточно высока, оно утяжеляет авто и занимает много места. Многие справедливо полагают, что ГБО небезопасно. Оно требует дополнительного технического обслуживания.
Более детально все плюсы и минусы газового оборудования на автомобиле описаны в другой нашей статье.
Как снять ГБО с автомобиля
Казалось бы, кардинальное решение должно приниматься перед монтажом, а смысла снимать уже установленное оборудование нет. Но снятие газового оборудования с авто в некоторых случаях может стать необходимостью. Например, перед постановкой на учет (если установленное ГБО было установлено незаконно, без оформления), плановым техосмотром или поездкой за границу.
Когда решение созрело, рассматривается два варианта демонтажа:
В первом случае все понятно. Машина возвращается в первоначальное состояние. Если ГБО планируется оставить, то его только деактивируют. Снимается баллон, заглушается магистраль, а в разъем управления ставится заглушка с перемычками. Достаточно просто отключить питание от блока: то есть вытащить предохранитель из резиновой фишки на плюсовом проводе аккумулятора. В таком случае при продаже стоимость машины не упадет.
С легковой машины
Немного о том, как снять газовый баллон с машины. Начнем с того, что делать это должен специалист. А общий порядок работы таков:
- Полностью стравливается газ.
- Отключается электрика.
- Отсоединяются магистрали, снимается баллон, редуктор, электронный блок управления, датчики,
Теперь вы знаете, как снять ГБО с машины. Только самостоятельно это делать мы не рекомендуем. Правда, есть случаи, когда все-таки можно сделать все своими руками. Речь как раз идет об оборудовании первых поколений, устанавливавшемся на старых автомобилях, чаще советского производства.
Как снять газовое оборудование с машины ВАЗ 2106? Нет ничего проще. Лучше вообще ничего не снимать, кроме баллона. Достаточно перекрыть кран и стравить газ из системы. Лучше даже просто завести мотор и выработать остатки. А далее поставить заглушку на патрубок, и все дела. Процесс установки ГБО на ВАЗ детально описан в отдельной нашей статье.
С «ГАЗели»
Теперь о том, как снять газовое оборудование с «ГАЗели». Здесь тоже никаких сложностей. Порядок практически тот же:
- стравливается газ;
- сливается тосол;
- снимается баллон;
- вырезается система подогрева и снимается электропроводка;
- отсоединяются газовые трубки;
- места врезки во впускной коллектор закрываются резиновыми колпачками с герметиком;
- снимается редуктор.
Все делается быстро и без финансовых затрат. Единственное, что потребуется, так это два прямых соединителя труб диаметром 18 мм.
Конечно, все зависит от самой ГБО. Если стоит второе поколение, то придется демонтировать газовый клапан.
Многих интересует вопрос, как снять газовое оборудование 4 поколения. Точно так же, только необходимо еще демонтировать и ЭБУ.
Где предоставляются услуги демонтажа
Снять оборудование обычно можно там же, где его устанавливают, – в специализированных центрах.
Сколько стоит услуга
Обычно цена демонтажа ГБО составляет примерно треть от стоимости установки. Она напрямую зависит от того, снимается оборудование полностью или частично. В первом случае для четырехцилиндрового мотора цена составит в среднем 4 тыс. рублей. Во втором такая услуга стоит от одной тысячи.
Бывает и так, что клиенту идут навстречу и оборудование снимается бесплатно, если в последующем планируется установка нового.
Сколько времени занимает
В среднем демонтаж ГБО 2 поколения занимает буквально 2-3 часа, демонтаж ГБО 4 поколения – максимум 4 часа.
Как снять ГБО с машины. Пошаговый демонтаж перед ремонтом авто: Видео
Специалист в кредитовании физических лиц и представителей малого и среднего бизнеса. Опыт работы в банковской сфере – более 15 лет.
Как снять ГБО с автомобиля своими руками
Преимущества ГБО давно оценили миллионы наших соотечественников, популярность такого решения в условиях преодоления экономического кризиса продолжает расти. Установкой газового оборудования на автомобили занимаются как производители, так и специализированные мастерские, а иногда, автовладельцы предпринимают даже самостоятельные попытки, в условиях собственного гаража. В среде автолюбителей отношение к ГБО неоднозначное, при этом его применение обосновано долговечностью и выгодой его работы, но, в силу разных обстоятельств, иногда возникает необходимость провести демонтаж газового оборудования на авто.

Демонтаж. Как и почему его нужно сделать?
Конечно же, решение провести снятие газового оборудования с авто можно назвать кардинальным, но в определенных случаях совершенно необходимым, например, при выезде за рубеж. Как правило, работы эти выполняются под давлением обстоятельств, не зависящих от самого владельца. Рассмотрим наиболее распространенные случаи:
- Установленная система не имеет регистрации в качестве дополнительного оборудования, при этом не может осуществляться постановка транспортного средства в МРЕО на учет, что влечет за собой частичный или полный демонтаж ГБО.
- Износ оборудования зависит от различных эксплуатационных показателей, и в среднем, по мнению профи, качественная оснастка готова пробежать без капитального ремонта от восьмидесяти до ста двадцати тысяч километров. Но, когда состояние системы требует глубокого и дорогостоящего ремонта, то стоит провести плановую замену, что будет более целесообразно, а иногда и более дешево.
- Собственник автомобиля ранее не использовал автомобильное газобаллонное оборудование и не теперь отказывается заниматься его официальным оформлением и обслуживанием.

Демонтаж ГБО – порядок действий
Чтобы решить, как снять газовое оборудование с авто, надо определиться, будет демонтаж проводиться полный или частичный. Если с первым вариантом все достаточно ясно – автомобиль будет возвращен к изначальному состоянию. То со вторым дело обстоит несколько иначе.
Если в планах – сохранить оснащение для дальнейшей эксплуатации, то его следует деактивировать. При этом нужно снять баллон, заглушить магистраль и вставить заглушку в разъем управления. По сути, достаточно отключения питания от блока, и извлечь предохранитель из резиновой фишки на плюсовом проводе аккумулятора. Главное, что, в случае продажи, цена машины не снизится.
Чтобы провести демонтаж всего оборудования, потребуется поднять автомобиль на подъемник или загнать его на яму, а дальше становится понятно, как снять газовый баллон с автомобиля. Общая последовательность выполнения работы такова:
- газ необходимо стравить полностью;
- электрика отключается;
- магистрали отсоединяются, баллон снимают, а вместе с ним редуктор, электронный датчики, блок управления, форсунки демонтируют, а отверстия впускного коллектора глушатся;
- смена патрубков в системе охлаждения;
- заглушается горловина.
Эти знания могут пригодиться, чтобы самостоятельно снять ГБО с машины. Впрочем, делать это собственноручно все же не стоит. Времена изменились, и с современной техникой доморощенным «кулибиным» лучше не связываться.

Что лучше: демонтировать самостоятельно или на станции?
На первый взгляд, снять газовое оборудование с автомобиля своими руками кажется совсем несложно. Хотя профессионалы все же настаивают, чтобы при полном демонтаже ГБО владельцы авто обращались в автосервис. В среднем, весь процесс занимает два-три, максимум четыре часа. А если попасть на акцию, то, в случае установки нового ГБО, старое могут снять бесплатно. Во всех прочих случаях стоимость демонтажа соответствует трети от цены работ по установке нового оборудования.
Какие меры предосторожности необходимо предпринять?
Хорошо, когда автовладелец в курсе, как снять ГБО с автомобиля своими руками – в таком случае все работы проходят без каких-либо финансовых затрат. А что происходит дальше?
Совсем не редкая история, когда владелец авто с ГБО самостоятельно демонтировал газовую установку в собственном гараже, а через некоторое время строение взорвалось и сгорело. И, в худшем случае, вместе с ним в дым превратилось еще пара соседних строений и авто. Хорошо, если обошлось без жертв.
Вся проблема в том, что, после проведения демонтажа по всем правилам, редуктор, магистральные трубопроводы, клапаны и баллон – все укладывается в кучу и перекочует в подвал гаража, в дальний уголок, чтобы под ногами не мешалось, ведь все это опасно – с газом. К чему это может привести? Старый баллон редко остается пустым, и закрывается он негерметично. Отправляя «скарб» на хранение в подвал, его редко проверяют на герметичность, не задумываясь о том, что даже мизерная утечка опасна.
Позже происходит следующее – газ в отношении воздуха тяжелее, а хранящийся в подвале баллон, на протяжении дней, недель, месяцев травит газ и заполняет собой пространство. Наступает день, когда достаточно одной искры или щелчка выключателя, чтобы имущество стало не только движимым, но и летающим.

Можно ли продать ненужное и демонтированное оборудование?
Продавать или нет ненужное, снятое оборудование – решает каждый владелец самостоятельно. Потребители часто готовы «повестись» на наиболее дешевое предложение рынка, поэтому заявленная стоимость становится приоритетной. Стоит ли говорить, что такой подход имеет кучу недостатков?
На СТО, где знают, как снять ГБО, могут предложить выкуп демонтированного оборудования, а затем его перепродают рядовому обывателю по заниженной цене. Впрочем, кто-то готов смириться с таким фактом. Но если дело касается электроники, то подобная экономичность того
стоит, а вот отработавшие срок редуктор или форсунки вскоре потребуют срочного и дорогостоящего ремонта, тем более не стоит соглашаться на бывший в эксплуатации баллон, так как все они имеют ограниченный срок службы.
ДЕМОНТАЖ ГБО: КОГДА НАДО СНЯТЬ С АВТО
Снять ГБО с автомобиля требуется в случае возврата к бензиновой (дизельной) системе топлива, а также при обращении в ГИБДД для постановки/снятия с учета и регистрации газовой установки.
Когда это требуется:
- Для постановки на учёт в ГИБДД или прохождения обслуживания т/с .
В этом случае выполняется частичный демонтаж, на время совершения необходимых регистрационных действий. А после их завершения выполняется установка обратно.
- Когда установленное газобаллонное оборудование надо снять полностью (например, человек купил машину с уже установленным газом и не планирует его использовать) или газовый комплект не ремонтно-пригоден.
В этом случае выполняется полный демонтаж и осуществляется возврат к штатной топливной системы (на бензине) и восстановление её функционала.

Отличия между ними существенные : в объеме работ (и количестве проводимых манипуляций), необходимом оборудовании (требуется яма/подъемник или нет), в использовании дополнительных аксессуаров (заглушек, покраски мест коррозии и пр.).
Полный демонтаж ГБО выполняется в случае возвращения к штатной системе топлива.
В этом случае удаляются все элементы установки, установленной на автомобиль, технологические отверстия подлежат заделке, двигатель и бензиновые форсунки – калибровке. Плюс выполняется обнуление «мозгов» у машины, чтобы ДВС вернулась к функционированию без ошибок.

Какие работы производятся?
Рассмотрим основные узлы и агрегаты:
- Под капотом : снимаем редуктор газа, фильтры, форсунки, блок ЭБУ, шланги, хомуты, рейку;
- Салон : съем кнопки переключения топлива (газ/бензин), а также демонтаж баллона, если он был установлен в салоне;
- Багажник : снимаем баллон, демонтируем кронштейны-держатели;

- Кузов : снимаем ВЗУ (внешнее заправочное устройство), заправочные штуцеры в бампере (если они были установлены в бампер или крыло);
- Двигатель : ставим заглушки во впускной коллектор и после демонтажа проводим электронную диагностику ДВС и необходимую калибровку;
- Днище : выполняем удаление магистрали;
Особенности действий на разных поколениях:
- Демонтаж ГБО 4 поколения: дополнительно выполняется съём блока ЭБУ (для т/с с инжектором);
- Демонтаж ГБО 2 поколения: дополнительно снимается газовый клапан (с карбюратора и автомобилей Газель);
Для всех работ необходимо использование ямы и/или подъёмника.
Полный комплект по устранению газобаллонного оборудования включает: установку заглушек в места, где ранее были выполнены технологические отверстия, а также в некоторых случаях, устранение последствий коррозии внутри багажника и по кузову.
СНЯТЬ ГБО И ПОСТАВИТЬ
Снять ГБО на время, чтобы после завершения постановки/снятия с учёта машины в ГИБДД, снова поставить.
Особенность: производится временное изъятие видимых частей системы, установленной на авто.

Все операции производятся в 2 этапа:
- I этап | Снимаем баллон, редуктор, ЭБУ и ВЗУ);

Топливные магистрали, форсунки и штуцеры сохраняются на автомобиле, для дальнейшего подключения;
- II этап | Установка газобаллонного оборудования : возвращаем всё на место, в штатные места (устанавливаем баллон, ЭБУ, редуктор и ВЗУ).
Восстанавливаем работу системы, проверку подключения, калибровку форсунок, двигателя и электронного блока управления.
А также, в зависимости от ранее установленного на автомобиль поколения, выполняется:
- деинсталляция ЭБУ с инжектора для 4 поколения;
- съём/постановка газового клапана (для карбюраторов и машин марки Газель) для 2 поколения;
Все работы как правило выполняются быстро, в течении 1 часа и подъёмник/яма не требуются, что упрощает проведение всех манипуляций.
КАК СНЯТЬ ГБО БЕЗ УЩЕРБА ДВИГАТЕЛЮ И АВТОМОБИЛЮ?
Чтобы не навредить двигателю и штатной системе питания, самой установке и кузову машины необходимо соблюдать технику безопасности, схемы подключения, порядок и последовательность манипуляций.
Как выполнить действия правильно, без ущерба?
- Электрика : необходимо отключить э/питание;
- Баллон : остатки газа надо стравить;
- На мультиклапане перекрыть 2 крана (заправочный и расходный);

Произвести изъятие баллона, газового оборудования в подкапотном пространстве, салоне, багажнике, лючке бензобака, кузове и под днищем: вынуть редуктор, а также блок ЭБУ, форсунки, топливные магистрали, рейку, ВЗУ, заправочные штуцеры (бампер/крыло, если туда была врезка газа);
- Впускной коллектор : необходимо выкрутить штуцера, а отверстия заглушаем болтами нужного диаметра, с использованием герметика;
- Снять ЭБУ с использованием схемы подключения газа, отсоединить провода подачи сигналов управления форсунками (чтобы э/проводку не замкнуло);
После проведения указанных действий, требуется восстановить штатную топливную систему. Производится калибровка форсунок, настройка двигателя, электронная диагностика двс и очистка от ошибок (если таковые будут обнаружены).
Соблюдая нормы и ГОСТы при взаимодействии с газовым оборудованием и сосудами, находящимися под давлением, порядок и правила эксплуатации и технику безопасности, – ущерб двигателю нанести невозможно.
СКОЛЬКО СТОИТ СНЯТЬ ГБО
Стоимость демонтажа ГБО зависит от того, какой вариант снятия газобаллонного оборудования вас интересует: целиком или частичное снятие (для постановки/снятия т/с в ГИБДД).
В первом случае цена включает: полное устранение деталей системы газа с автомобиля, постановку заглушек в технологические отверстия, восстановление штатной системы топлива. И для производства этих работ требуется яма/подъемник.
Во-втором случае, цена включает работы, связанные со съёмом газа с автомобиля (подлежат снятию только видимые элементы системы), а позже – с их установкой обратно. Для выполнения этих процедур яма/подъёмник не требуется, однако, необходимо выполнить действия в 2 этапа: снять ГБО, потом (позже) поставить обратно.
Демонтаж ГБО полностью | Цена работы:
Двигатель | Количество циллиндров
Демонтаж ГБО
Иногда бывает так, что после того, как газобаллонное оборудование (ГБО) было установлено, его необходимо демонтировать и вернуться к первоначальной системе, которая предполагает использование бензина. В каких же случаях подобные действия оправданы?
Когда нужно снимать ГБО
Во-первых, это имеет место в том случае, если транспортное средство (ТС) необходимо поставить на учет в органах ГИБДД. В этом случае выбирается частичный демонтаж, который предполагает снятие ГБО и их повторный монтаж после проведения осмотра ТС.
Во-вторых, если у авто появился новый хозяин, который по каким-то неведомым нам причинам не хочет использовать газ, а хочет вернуться к поездкам на бензине.
В-третьих, если газовый комплект вышел из строя и не подлежит ремонту. В этом случае уж точно необходимо вернуться к той системе топлива, которая была установлена в заводских условиях, и восстановить ее работу в полном объеме.
Между тем, какие действия будут выполняться в том или другом случае, есть серьезная разница. Варьируются следующие параметры:
- объем работ (если снятие номинальное, то будет необходимо выполнять минимум операций, если же происходит возврат к старой системе, то необходимо будет выполнить весь комплекс работ);
- оборудование, которое необходимо привлекать (например, будет ли нужен подъемник);
- необходимость использования дополнительных материалов (к примеру, речь может идти о специальных заглушках, повторном окрашивании мест, в которых возникла коррозия.
Полный демонтаж системы
Как уже было упомянуто выше, в случае, если необходимо вернуться к заводской системе топлива, то проводится полный демонтаж ГБО. В этом случае все элементы, которые были предварительно установлены на авто, убираются в полном объеме. Те отверстия, которые были сделаны для функционирования системы работы на газе, заделываются, а двигатель и форсунки калибруются. Не следует также забывать о том, что ДВС должна вернуться к своему первоначальному порядку функционирования, а значит, «мозги» у авто следует очистить.
Комплекс работ, которые необходимо выполнить, достаточно разнообразен. Прежде всего, необходимо залезть под капот и там снять редуктор газа, поработать с фильтрами и форсунками, демонтировать блок ЭБУ и шланги, удалить хомуты и рейку.
После это перебираемся в салон. Тут снимается кнопка переключения топлива. В том случае, если баллон был установлен в салоне, то понятное дело, что его следует демонтировать.
Следующая точка – багажник. Там тоже надо убрать кронштейны-держатели, а также удалить баллон, если он находился там.
В кузове необходимо снять внешнее заправочное устройство, штуцеры в бампере в том случае, если они установлены в бампер или крыло.
Самое сложное – это комплекс работ, связанный с двигателем. Там необходимо поставить заглушки, которые закрывают вход во впускной коллектор, а после того, как система ГБО будет демонтирована, необходимо провести электронную диагностику ДВС и требуемую калибровку. И завершающим этапом следует перейти к удалении магистрали на днище ТС.
Все эти работы требуют наличия определенного оборудования, это может быть яма или подъемник. Если на авто функционировала система ГБО 2-ого поколения, то не стоит забывать про газовый клапан (особенно это актуально для карбюраторов автомобиль марки Газель). Если же проводился демонтаж ГБО нового, 4-ого поколения, необходимо снять блок ЭБУ, который обязательно был установлен для ТС, в конструкции которых присутствует инжектор.
Для того, чтобы завершить работы, связанные с демонтажом оборудования, необходимо установить заглушки во всех местах, где ранее были устроены технологические отверстия для функционирования системы ГБО, а также убедиться, что внутри багажника и по кузову нет коррозии. В случае, если она присутствует, ее требуется удалить.
Частичный демонтаж системы
Все вышесказанное касалось полного демонтажа, то есть второго и третьего варианта. А вот если необходимо провести частичный демонтаж на определенное время, то порядок действий будет несколько другим.
Мастера утверждают, что в этом случае все происходит гораздо проще. На первом этапе надо снять баллон, редуктор, ЭБУ и ВЗУ. Все остальные элементы конструкции сохраняются на авто, чтобы их можно было беспрепятственно подключить после прохождения техосмотра.
На втором этапе демонтированное газовое оборудования возвращается на место своего функционирования, и работа системы восстанавливается. Это не занимает много времени, примерно по одному часу на каждый этап. Причем эти работы настолько просты, что даже не требуют использования спецтехники – подъемник или яма не требуются вообще.
Самая важная задача, которую следует решить мастеру, заключается в том, чтобы при снятии ГБО не навредить двигателю и штатной системе питания. Для этого на первый план выходит следование технике безопасности, соблюдение схем подключения, а также знание порядка и последовательности проведения всех манипуляций. То есть знания и опыт выходят на первый план.
Предполагаемый порядок работ
Что необходимо сделать для того, чтобы разобраться с газом на Вашей машине и избавиться от существующего ГБО раз и навсегда? Порядок действий не слишком сложный:
- прежде всего необходимо отключить электропитание;
- стравить остатки газа, которые присутствуют в баллоне;
- перекрыть два крана, которые располагаются на мультиклапане, – так называемые заправочный и расходный;
- изъять баллон из того места, где он был предварительно установлен, – это может быть салон, подкапотное пространство, багажник;
- демонтировать топливную магистраль, блок ЭБУ и форсунки;
- провести работы во впускном коллекторе, применить герметик для заделывания технологических отверстий;
- снять ЭБУ, принимая во внимание схему подключения и подачи газа.
Только после этого можно подходить к решению задач, связанных с восстановление штатной топливной системы. Мастеру придется заняться настройкой двигателя, электронной диагностикой системы ДИС и очистки ее от возможных диагностируемых ошибок.
Резонный вопрос при снятии системы ГБО касается стоимости подобны услуг. Если предполагается полный демонтаж, то понятно, что стоимость будет гораздо вше, чем в случае частичного снятия. Поскольку стоимость подобных работ напрямую зависит от марки авто и поколения системы ГБО, которые были установлены ранее, то для определения точной цены всего комплекса услуг предлагаем обратиться к нашим менеджерам. Они помогут решить Вашу проблему в полном объеме.
Чтобы быть уверенными в качестве выполняемых работ, предлагаем Вам обратиться в нашу компанию. Мы поможем снять ГБО в Москве, а также поможем в легализации взаимоотношений Вашей новой авто с государственными органами (например, МВД или ГИБДД).
Сертифицированный мультибрендовый центр по установке, обслуживанию и ремонту газового оборудования:
Демонтаж ГБО

Демонтаж ГБО без ущерба для автомобиля: когда он необходим
Казалось бы, резон снимать ГБО, если стоимость газа позволяет сэкономить более половины цены бензина на километре, но несколько причин демонтажа ГБО все же назовем.
– Машина была куплена уже заведомо с ГБО, и новый собственник хочет его снять, потому что:
– является ярым противником газобаллонного оборудования, поскольку не желает тягать лишний габаритный груз в виде баллона в багажнике, считает ГБО опасным из-за прогорания клапанов, просто предпочитает бензин по привычке;
– установленное ГБО определенно не того качества, которого хотелось бы, приносит больше вреда, чем пользы, да и вообще установлено как-то кустарно. Дешевле снять старое оборудование и установить новое, чем с ним возиться.
– Моральное устаревание газобаллонного оборудования и его замена на современное.
– Демонтаж ГБО, которое не соответствует экологическим стандартам (замена оборудования, например, перед поездкой в Европу).
Сложно придумать еще какие-либо причины, поскольку в иных случаях проще отключить электронный блок управления и временно “законсервировать оборудование”. Например, если зимой газ практически не эксплуатируется.
Демонтаж ГБО: порядок действий
Уверены, услуги автосервиса для демонтажа ГБО вам понадобятся точно.
Порядок демонтажа ГБО:
– стравливание газа с магистралей, редуктора, баллона;
– отсоединение магистралей от баллона, снятие крепежей баллона к раме автомобиля, демонтаж баллона с мультиклапаном и заправочного шланга. Отверстие под горловину можно закрыть заглушкой;
– отсоединение магистрали от редуктора, их аккуратное изъятие со стороны багажного отсека;
– демонтаж редуктора, электронного блока управления, датчиков, тосольных рукавов. Замена патрубков системы охлаждения, поскольку тройник на месте врезки заглушить не получится;
– снятие форсунок и заглушка отверстий под форсунки во впускном коллекторе.
Это общая процедура полного демонтажа ГБО, но мы рекомендуем подъехать на улицу 1-й Котляковский переулок, 13с8 , где вас или убедят в том, что оборудование лучше оставить, или заменят его на новое, или просто отсоединят магистрали и отключат узлы оборудования. Вдруг вы снова решите вернуться к ГБО.
В среднем демонтаж ГБО 2 поколения составляет буквально 2-3 часа, демонтаж ГБО 4 поколения – максимум 4 часа. Бывают случаи, когда установщик идет навстречу клиенту и снимает оборудование бесплатно при условии установки нового ГБО, но обычно цена демонтажа ГБО составляет около трети от стоимости работ по установке.
Бесплатная консультация юриста по телефону:
Самостоятельный демонтаж газового оборудования 4-го поколения

Общие сведения
Основная задача ГБО заключается в обеспечении работы машины за счет газового топлива. Для этого устанавливается баллон и вспомогательные элементы, за счет которых происходит подача в двигатель.
Главное преимущество газобалонного
оснащения автомобиля заключается в экономии. Используемые для заправки метан или пропан имеют меньшую стоимость в сравнении с другими видами топлива. Также считается, что за счет ГБО увеличивается срок эксплуатации двигателя, благодаря чему авто дольше работает без поломок и технического обслуживания. К преимуществам применения газа также относится экологичность и простота в эксплуатации.
Несмотря на большое количество достоинств, есть и ряд недостатков. Нередко именно они становятся причиной, по которой проводят демонтаж газового оборудования на авто.К минуса ГБО относятся:
- Малое количество газозаправочных станций.
- Снижение мощности двигателя.
- Увеличение массы ТС.
- Баллон и вспомогательное оборудование занимает место в багажнике.
Несмотря на наличие явных минусов, ГБО пользуется большой популярностью. Поэтому необходимость демонтажа возникает при наличии соответствующих оснований.
Цены на демонтаж и снятие ГБО
| Наименование работ | Стоимость работ |
| Регулировка ГБО 2-го поколения | от 200 р. |
| Регулировка ГБО 4 поколения компьютерная | от 500 р. |
| Выдача паспорта на ГБО для прохождения тех. осмотра (при установке паспорт выдаётся бесплатно) | 600 р. |
| Демонтаж ГБО 2-го поколения | от 2000 р. |
| Демонтаж ГБО 4-го поколения | от 3000 р. |
| Замена редуктора | от 500 р. |
| Замена ЭМК газа (+стоимость ЭМК) | от 300 р. |
| Замена фильтра ЭМК газа (+ стоимость фильтра) | от 400 р. |
| Замена ЭМК бензина | от 200 р. |
| Замена ВЗУ | от 500 р. |
| Снятие — установка баллона | от 600 р. |
| Замена крепежных лент | от 400 р. |
| Замена мультиклапана | от 800 р. |
| Замена магистральной медной трубки d = 6 мм | от 600 р. |
| Замена заправочной медной трубки d = 8 мм | от 400 р. |
| Замена тосольных шлангов | от 400 р. |
| Замена кнопки ПВТ | от 500 р. |
| Замена электрооборудования (проводка) | от 600 р. |
| Врезка в карбюратор | от 1000 р. |
| Монтаж ГБО 2 поколения | от 4000 р. |
| Монтаж ГБО 4 поколения | от 6000 р. |
По разным причинам иногда у собственников авто появляется необходимость демонтажа автомобильной газовой установки. Но в ходе процесса снятия могут возникнуть неожиданные нюансы. Тем более если система ставилась не самостоятельно.
Газобаллонное оборудование четвёртой версии имеет более сложную конструкцию по сравнению с предыдущими модификациями. Поэтому в данной статье мы расскажем, как снять ГБО 4 поколения своими руками правильно.
Как правило, если оборудование не оформлено, основными причинами могут являться:
- Подготовка транспорта к постановке на учёт в ГИБДД.
- Государственный техосмотр машины.
Также существует и другой повод:
- Замена газового оборудование на новое или следующего поколения.
- Ремонт автомобиля или газовой системы.
- Для продажи авто без установки.
Не всегда эти основания требуют полного или частичного удаления компонентов. Однако в статье будет описан полный цикл снятия газобаллонного оснащения и возврат авто к своим заводским параметрам, где каждый может применить информацию по своей ситуации.
Причины для снятия
Есть немало ситуаций, при которых потребуется восстановить автомобиль до заводской комплектации. Нередко такая нужда возникает под действиемне зависящих от собственника машины обстоятельств.
К наиболее распространенным причинам относятся:
- Отсутствие регистрации в ГИБДД.
- Постановка на учет машины, на которой предварительно было установлено ГБО.
- Замена на систему нового поколения.
- Подготовка машины к продаже.
- Выполнение ремонтных работ.
- Выезд за границу.

Совет! В целом, ситуаций, при которых нужно снимать ГБО, достаточно много. Однако у водителя всегда остается возможность произвести повторную установку.
Можно ли продать ненужное и демонтированное оборудование?
Продавать или нет ненужное, снятое оборудование – решает каждый владелец самостоятельно. Потребители часто готовы «повестись» на наиболее дешевое предложение рынка, поэтому заявленная стоимость становится приоритетной. Стоит ли говорить, что такой подход имеет кучу недостатков?
На СТО, где знают, как снять ГБО, могут предложить выкуп демонтированного оборудования, а затем его перепродают рядовому обывателю по заниженной цене. Впрочем, кто-то готов смириться с таким фактом. Но если дело касается электроники, то подобная экономичность того
стоит, а вот отработавшие срок редуктор или форсунки вскоре потребуют срочного и дорогостоящего ремонта, тем более не стоит соглашаться на бывший в эксплуатации баллон, так как все они имеют ограниченный срок службы.
Иногда бывает так, что после того, как газобаллонное оборудование (ГБО) было установлено, его необходимо демонтировать и вернуться к первоначальной системе, которая предполагает использование бензина. В каких же случаях подобные действия оправданы?
Виды демонтажа
Вариант снятия ГБО зависит от различных аспектов: причины, специфики транспортного средства, особенностей используемого оборудования, наличия нужных инструментов и приборов. Всего выделяют 2 вида демонтажа.
К ним относятся:
- Частичный. Выполняется в случае, если ГБО планируют оставить для последующей эксплуатации. Процедура предусматривает временную деактивацию системы подачи газа. С машины снимают баллон, демонтируют редуктор и электронный блок управления. Остальные элементы конструкции сохраняются.
- Полный. ГБО полностью удаляется из транспортного средства. После этого производится калибровка, чтобы восстановить первоначальную функциональность.
Важно знать! Рассматривая,как снять ГБО с автомобиля своими руками, следует отметить, что частичный демонтаж – упрощенная процедура. Для такого вида работ не требуется спецтехника и дополнительное дорогостоящее оборудование.

Как отключить газовую систему
Как отключить газовую систему
Сообщение guga50 » Ср апр 21, 2010 11:53 pm
Re: Как отключить газовую систему
Сообщение Vitalie » Чт апр 22, 2010 12:15 am
Re: Как отключить газовую систему
Сообщение guga50 » Чт апр 22, 2010 12:46 am
Ну вот, например, еду прямо. Бац, пищит и лампочки. Я жму кнопку. Потухла, умолкла. Еду ещё 3 минуты. Хринак, опять пищит и лампочки. Не трогаю. Сама погасла. Както «вшторивал» на всю, так у неё вообще какая то истерика произошла — включилась сама, пищит, я жму — ей пофиг не реагирует. потом сама же успокоилась. Маразм какой-то. Напрягает её маниакальное желание во что бы то ни стало «поучаствовать в процессе» там где её не просят.
Добавлено спустя 13 минут 35 секунд: кнопка такая, только все лампочки зелёные
Re: Как отключить газовую систему
Сообщение Vitalie » Чт апр 22, 2010 1:01 am
Re: Как отключить газовую систему
Сообщение guga50 » Чт апр 22, 2010 1:51 pm
мне сказали что там двое мозгов на бензин свои, на газ свои. короче понятно. надо в сервис ехать.
секрета нет. просто не вижу смысла «морщить» эти копейки. можно вместе с газом также перейти на перловую крупу и соевые сосиски, носить холщовую рубаху и лапти, ложиться спать засветло. у меня за 5 лет на прошлой машине пробег был 50 тыщь. было б 350 — другой разговор, а так мне проще на бензине.
Порядок действий
Этапы процедуры зависят от того, является демонтаж полным либо частичным. Самостоятельно убрать из машины всю газобаллонную систему достаточно сложно. Поэтому можно снять только часть оборудования.
Этапы частичного демонтажа:
- Отключение питания от аккумулятора
- Отсоединение баллона и редуктора (предварительно газ стравливают)
- Установка клапана на магистрали
Рассматривая, как снять ГБО, необходимо учитывать, что при полном демонтаже потребуется перекрыть заправочный и расходный вентили, удалить топливную магистраль, блок электронного управления. Во впускном коллекторе необходимо перекрыть отверстия, сделанные при установке оборудования, при помощи герметика. Чтобы облегчить процесс, рекомендуется посмотреть видео, как снять газовое оборудование с авто.
Как снять ГБО — инструкция
ВАЖНО! Перед началом работы убедитесь в том, что вблизи нет источников открытого пламени, обеспечьте хорошую вентиляцию, и помните о технике безопасности во время работы с легковоспламеняющимися жидкостями и газами.
- Прежде всего, избавляемся от остатков газа. То есть, как вы понимаете, демонтировать газовое оборудование, когда у вас полный бак газа — глупо. Поэтому постарайтесь использовать весь газ до тех пор, пока мотор не переключится на бензин.
- Снимаем клеммы с АКБ.
- Далее, перекрываем подачу газа, перекрыв запорный вентиль на мультиклапане.
- Отсоединяем расходную магистраль от редуктора или мультиклапана и стравливаем остатки газа.
- Завоздушиваем все газовые магистрали, путем раскручивания штуцеров, остатки газа выйдут и дальнейшая работа будет безопасной.
- Отключаем питание катушки электроклапана, датчики, блок запорной арматуры, питание форсунок, мап-сенсора, газового клапана, вариатор УОЗ, «мозгов», провод от катушки зажигания, кислородного датчика.
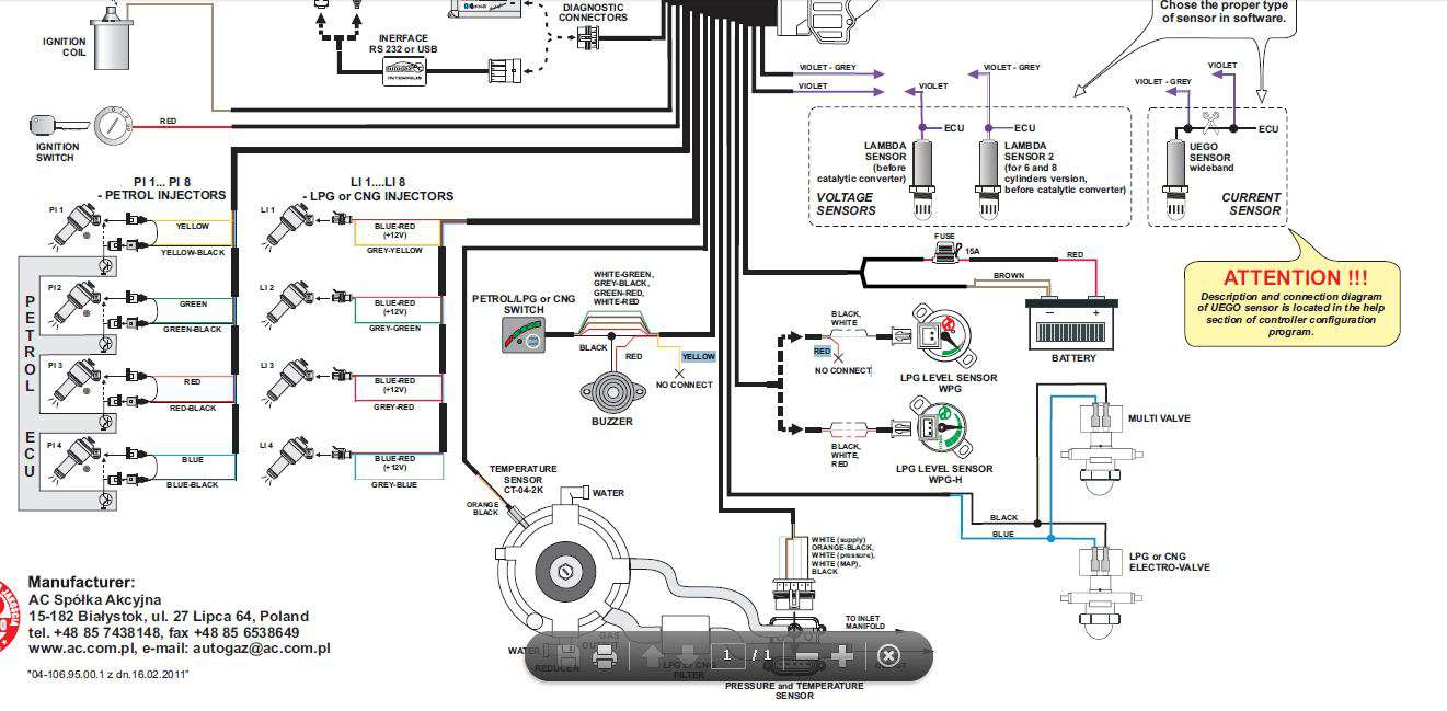
- Наиболее ответственной процедурой во время демонтажа газобаллонного оборудования, считается отключение питания бензиновых форсунок. Выполнить это можно либо полностью заменив старую проводку, либо разобраться в проводке и убрать лишнее. Чтобы ничего не нарушить и не отрезать лишнее нужна схема подключения.
- В салоне следует демонтировать кнопку переключения газ/бензин, а также убрать всю «газовую» проводку.
- Далее следует демонтаж самих узлов, то есть физическое удаление ГБО с авто. Снимаем редуктор-испаритель, здесь важно все сделать аккуратно, чтобы потратить минимум антифриза, который его охлаждает. Заблаговременно передавите патрубок, который подает ОЖ в редуктор и подготовьте тряпки и посуду на всякий случай. Глушим и соединяем патрубки, используя переходники и сгоны.
- Снимаем топливные магистрали, фильтр тонкой очистки, вакуумную трубку, редуктор, шланги, а также форсунки, рейку и шланги. Демонтируем ВЗУ и подводящие магистрали, а также снимаем газовый баллон.
- Выкрутите штуцера из впускного коллектора, а отверстия заглушите. Как глушить — каждый решает для себя сам, это могут быть болты подходящего диаметра, аргонная или холодная сварка.
Демонтаж газобаллонной системы с легковой машины и «ГАЗели»
Последовательность действий для обоих видов автомобиля практически одинакова. Порядок выполнения зависит от поколения применяемого ГБО. Системы 1 и 2 поколения демонтировать проще всего.
Предварительно из баллона удаляют содержащийся внутри газ. Затем в обязательном порядке требуется обесточить ТС. Для этого достаточно отсоединить от аккумулятора плюсовый контакт.
Большинство водителей сталкиваются с трудностями из-за того, что не знают, как снять газовый баллон с автомобиля. Предварительно производится отключение магистрали, после чего емкость беспрепятственно отсоединяют. В местах соединения во впускной коллектор устанавливают колпачки с герметиком. Если вопрос касается того,как самому снять газовое оборудование 4 поколения с машины, то в таком случае потребуется демонтаж блока ЭБУ.
Где предоставляются услуги
Для реконструкции своей машины нужно выбирать только специализированный сертифицированный центр, потому что машину после перевода на газ нужно перерегистрировать в ГИБДД. А там, помимо документов на машину, потребуют сведения о системе и о месте ее установки. Только официальные центры имеют полный перечень необходимого оборудования для выполнения работ по установке системы ГБО на требуемом уровне.
Стоимость услуги демонтажа

Узнать, сколько стоит снять ГБО с машины, можно в любом пункте техобслуживания, цена приблизительно везде одинаковая. Временный демонтаж ГБО 4 поколения с авто обойдется от 1 до 4 тыс. р. Полное избавление от такой системы стоит дороже – 4-8 тыс. р. На цену влияет объем двигателя и количество цилиндров, тип автомобиля (легковой/грузовой), количество дополнительных работ.
Читаем также: Регистрация ГБО через Госуслуги
Меры предосторожности
Нередко самостоятельное удаление системы подачи газа приводит к нежелательным последствиям. Поэтому процедуру нужно выполнять в соответствии с несколькими принципиально важными правилами. К ним относятся:
- Строгое соблюдение порядка проведения работ.
- Отсутствие источников огня вблизи места демонтажа.
- Хранение снятого баллона герметично закрытым.
- Демонтированные детали нужно располагать на расстоянии друг от друга.
- Длительное хранение элементов считается небезопасным.
Снимать ГБО без квалифицированной помощи можно только в том случае, если водитель имеет необходимые для таких работ знания и умения. В противном случае лучше обратиться на станцию техобслуживания.
Газовое оборудование пользуется большой популярностью среди автомобилистов. Однако часто возникают случаи, при которых требуется демонтаж вспомогательного оснащения. Процедура может осуществляться полностью или частично. При этом необходимо учитывать поколение ГБО и особенности ТС.
Наиболее распространенные причины демонтажа ГБО
- автомобиль, в конструкцию которого официально не внесены изменения, необходимо поставить на учет в ГИБДД или предоставить на технический осмотр;
- выдано предписание на устранение внесенных изменений в конструкцию;
- требуется провести техническое обслуживание ГБО или заменить неремонтопригодные элементы системы на новые;
- новый владелец автомобиля по каким-либо причинам не планирует использовать газобаллонное оборудование; автомобиль сдается в Trade In;
- планируется установка данного комплекта ГБО на другом автомобиле.
В первых трех случаях, как правило, производится частичный демонтаж ГБО. Для успешного прохождения техосмотра и процедуры проверки в ГИБДД обычно достаточно удалить видимые элементы газобаллонного оборудования – баллон, редуктор, ВЗУ и форсунки (в некоторых случаях). На аккуратно проложенные в подкапотном пространстве или под днищем магистрали и штуцеры во впускном коллекторе проверяющие внимания обычно не обращают. Нет смысла полностью демонтировать ГБО и в том случае, если требуется обслуживание и ремонт отдельных его компонентов.
Полностью демонтировать ГБО приходится в том случае, если в последующем повторная установка и использование его на этом автомобиле не планируются. Данная услуга востребована в основном новыми владельцами автомобилей, которые считают газовое топливо небезопасным или просто хотят вернуть полный объем багажника, а также прежними автовладельцами при продаже машины. Полный демонтаж газобаллонного оборудования предполагает не только снятие всех дополнительных элементов системы, но и приведение в первоначальный вид штатных узлов, поэтому является более трудоемкой и продолжительной операцией, занимающей до четырех часов. Стоимость полного демонтажа ГБО также естественно выше, чем частичного.
Когда нужно снимать ГБО
Во-первых, это имеет место в том случае, если транспортное средство (ТС) необходимо поставить на учет в органах ГИБДД. В этом случае выбирается частичный демонтаж, который предполагает снятие ГБО и их повторный монтаж после проведения осмотра ТС.
Во-вторых, если у авто появился новый хозяин, который по каким-то неведомым нам причинам не хочет использовать газ, а хочет вернуться к поездкам на бензине.
В-третьих, если газовый комплект вышел из строя и не подлежит ремонту. В этом случае уж точно необходимо вернуться к той системе топлива, которая была установлена в заводских условиях, и восстановить ее работу в полном объеме.
Между тем, какие действия будут выполняться в том или другом случае, есть серьезная разница. Варьируются следующие параметры:
- объем работ (если снятие номинальное, то будет необходимо выполнять минимум операций, если же происходит возврат к старой системе, то необходимо будет выполнить весь комплекс работ);
- оборудование, которое необходимо привлекать (например, будет ли нужен подъемник);
- необходимость использования дополнительных материалов (к примеру, речь может идти о специальных заглушках, повторном окрашивании мест, в которых возникла коррозия.
https://tvoya-doroga.ru/oformlenie/demontazh-gbo-tsena-i-kak-snyat-gazovyj-ballon-s-mashiny
https://24avtoshop.ru/uchet/demontazh-gbo.html